|
|
|
|
Регулятор давления воды РД-15
|
Регулятор давления воды РД-15 предназначен для использования в системах коммунального и промышленного
водоснабжения для снижения избыточного давления воды до оптимального значения.
|
| Основные параметры регуляторов:
|
|
Наименование параметра
|
Значение
|
|
Диаметр условного прохода Ду [мм]
|
15
|
|
Условное давление [МПа] (кгс/см2)
|
1,0 (10)
|
|
Зона регулирования [%]
|
40
|
|
Верхний предел настройки [МПа] (кгс/см2)
|
0,4 (4)
|
|
Условная пропускная способность [м3]/ч
|
1,6
|
|
Масса регулятора [кг]
|
0,35
|
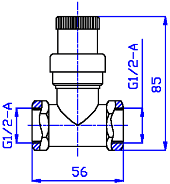
| Габаритные и присоединительные размеры |

|

|
НПООО "Эрготех"
Республика Беларусь
г.Минск,
ул. Казинца, 2а
[схема проезда]
телефоны:
+(37517) 343-08-38
(факс)
+(37517) 300-01-62
(бухгалтерия)
E-mail:
info@ergotech.by
|
|